Mô tả sản phẩm
Sản phẩm WIKA PGS23.100 là đồng hồ đo áp suất 3 kim (Bourdon tube pressure gauge with switch contacts). Đồng hồ đo áp suất 3 kim WIKA PGS23.100 giúp báo tín hiệu relay ra bên ngoài (còi cảnh báo, máy bơm…)
Để hiểu hơn về sản phẩm, cùng tìm hiểu ở bài viết này!
Ứng dụng
- Kiểm soát và điều chỉnh cho các quy trình.
- Giám sát hệ thống nhà máy và chuyển mạch điện
- Ứng dụng cho môi trường xâm thực dạng khí và lỏng không có độ nhớt cao hoặc kết tinh, cũng như trong môi trường khắc nghiệt
- Công nghiệp hóa chất, công nghiệp hóa dầu, nhà máy điện,
- khai thác mỏ, trên / ngoài khơi, công nghệ môi trường, chế tạo máy và xây dựng nhà máy nói chung
Mô tả chung sản phẩm WIKA PGS23
Bất cứ nơi nào áp suất quá trình phải được chỉ định cục bộ và đồng thời, các mạch cần được chuyển mạch, công tắc kiểu PGS23.1x0GAUGE sẽ tìm thấy công dụng của nó. Tiếp điểm công tắc (tiếp điểm công tắc điện) làm hoặc ngắt mạch điều khiển điện phụ thuộc vào vị trí con trỏ của dụng cụ đo chỉ thị. Các điểm tiếp xúc của công tắc có thể điều chỉnh được trong toàn bộ phạm vi thang đo (xem DIN 16085) và được gắn chủ yếu bên dưới mặt số, mặc dù cũng một phần ở phía trên mặt số. Con trỏ công cụ (con trỏ giá trị thực) di chuyển tự do trên toàn bộ phạm vi thang đo, không phụ thuộc vào cài đặt.

Tính năng của WIKA PGS23.100-PGS23.160
Đồng hồ đo áp suất WIKA là dòng đồng hồ đo áp suất có thương hiệu tốt được các chuyên gia trên thế giới nhận định. Đồng hồ áp suất Wika PGS23.100- PGS23.160 được sử dụng rộng rãi tại các nhà máy nước giải khát, nhà máy hóa chất, nhà máy xử lý nước…có những tính năng sau:
- Dụng cụ có tiếp điểm điện tử cho các ứng dụng PLC.
- Cấp bảo vệ (Weatherproof): EN 837 – DIN 16085.
- Làm từ chất liệu inox cao cấp, chống cháy nổ.
- Độ chính xác cao và tuổi thọ sử dụng lâu dài.
Thông số kỹ thuật WIKA PGS23.100 – PGS23.160
| Thông số kỹ thuật | |
|---|---|
| Model | PGS23.100 – PGT23.160 |
| Kích thước mặt | 100mm, 160mm |
| Chuẩn ren kết nối | G1/2, 1/2NPT |
| Dải áp | 0 … 0.6 bar đến 0 … 1.600 bar |
| Nguồn điện đầu ra | 4 … 20 mA |
| Nhiệt độ môi trường | -20 đến 60°C |
| Cấp bảo vệ | EN 837 – DIN 16085 |
| Sai số (Accuracy) | ±1.0% |
| Vật liệu thân | Inox 316 |
| Kính bảo vệ (Window) | Kính chịu nhiệt (Tempered Glass) |
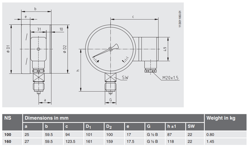
Mô tả thiết kế WIKA PGS23.100-PGS23.160

Hình ảnh thực thế của WIKA PGS.100 – PGS23.160

Mua đồng hồ đo áp suất WIKA PGS23.100 – PGS23.160 chính hãng tại Cao Phong
Bạn đang cần tìm đồng hồ đo áp suất WIKA PGS23.100 hoặc PGS23.160 chính hãng, có tích hợp tiếp điểm điện và đáp ứng các tiêu chuẩn khắt khe trong công nghiệp? Cao Phong là địa chỉ uy tín mà bạn không thể bỏ qua.
Với nhiều năm kinh nghiệm phân phối thiết bị đồng hồ đo áp suất và van công nghiệp, Cao Phong là đại lý chính thức của WIKA tại Việt Nam, cam kết cung cấp sản phẩm:
- Chính hãng 100%, đầy đủ CO, CQ
- Đa dạng dải đo áp suất, kiểu kết nối và tùy chọn lắp đặt
- Có sẵn hàng cho cả model mặt 100mm (PGS23.100) và 160mm (PGS23.160)
- Tư vấn kỹ thuật miễn phí theo yêu cầu hệ thống
Liên hệ mua hàng:
- Website: https://caophong.com.vn
- Hotline: 028 6270 3525
- Email: contact@caophong.com.vn
- Địa chỉ: 331/41 Phan Huy Ích, Phường An Hội Tây, Thành Phố Hồ Chí Minh, Việt Nam





