Mô tả sản phẩm
Đồng Hồ Đo Áp Suất 3 Kim Wise P510 là dạng đồng hồ áp suất tiếp điểm điện 3 kim sản xuất bởi thương hiệu Wise của Hàn Quốc và còn được goi với cái tên Công Tắc Áp, cài đặt tiếp điểm thường đóng thường mở hay tiếp điểm cao thấp là sự tiếp xúc cảm ứng sử dụng kết hợp các tiếp điểm.
Wise của Hàn Quốc là một trong những thương hiẹu lớn trong lĩnh vực sản xuất thiết bị đồng hồ đo áp suất nói chung và đồng hồ đo áp suất nói riêng. Với bề dày kinh nghiệm trong lĩnh vực lâu đời, Wise đã sản xuất những dòng sản phẩm chất lượng và được quý khách hàng tin tưởng và lựa chon.
Mô tả thiết kế
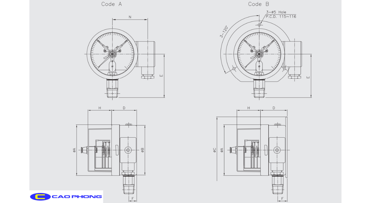
Đồng hồ áp suất Wise model P510 là loại tích hợp tiếp điểm điện (contact gauge), chuyên dùng để đo và giám sát áp suất đi kèm với chức năng cảnh báo. Dưới đây là bản vẽ thiết kế chi tiết theo hai dạng:


Thông số kỹ thuật
| Thông số kỹ thuật | |
|---|---|
| Thương hiệu | Wise |
| Xuất xứ | Hàn Quốc |
| Model | P510 |
| Kích thước mặt | 100mm, 160mm |
| Đơn vị đo | kPa, bar, MPa |
| Dải đo | -0.1 ~ 0; 0 ~ 200 MPa |
| Cấp chính xác | ±1.0% toàn dải |
| Vật liệu | Vỏ Polycarbonate, chân kết nối thép không gỉ |
| Kết nối | Ren M20 x 1.5, 3/8″ NPT, 1/2″ NPT, PF… |
| Nhiệt độ tối đa | 100°C |



Mô tả chức năng
Trong hệ thống đo áp suất, các dòng đồng hồ áp suất có tiếp điểm điện được sử dụng để điều khiển, báo động hoặc cắt tải khi đạt đến một mức áp suất nhất định. Dưới đây là bảng mã chức năng tiếp điểm theo sơ đồ đấu nối và ứng dụng thực tế:

Đồng hồ đo áp suất 3 kim Wise P510 có các bộ tiếp điểm với 5 loại cảnh báo khác nhau:
- Cảnh báo High Alarm.
- Cảnh báo Low Alarm.
- Cảnh báo High & Low Alarm.
- Cảnh báo Low & Low Alarm.
- Cảnh báo High & High Alarm.
Với nhiều mức cảnh báo có thể giúp thực hiện cài đặt và kiểm soát theo yêu cầu sử dụng thực tế và ứng dụng linh hoạt hơn trong nhiều hệ thống.
Ứng dụng đồng hồ đo áp suất 3 kim Wise P510 – Wise Model P510.
Đồng hồ đo áp suất P510 được sử dụng rộng rãi trên các hệ thống máy móc trong nhà máy và xí nghiệp, với những chức năng đặc biệt thì Wise P510 được ứng dụng phổ biến như:
- Nhà máy điện.
- Công nghiệp hóa chất, công nghiệp hóa dầu.
- Khai thác mỏ, môi trường, chế tạo máy và xây dựng nhà máy.
- Hệ thống tự động hóa trong các ngành công nghiệp.
- Giám sát hệ thống và chuyển mạch điện.
- Kiểm soát và điều chỉnh các quy trình.
Hình ảnh thực tế


Xem Catalog sản phẩm tai đây.
Mua đồng hồ đo áp suất 3 kim Wise P510 – Wise Model P510 ở đâu?
Thị trường hiện nay có rất nhiều công ty thương mại lại các mẫu đồng hồ áp suất. Để mua được sản phẩm chất lượng và giá thành tốt nhất thì hay là một người mua hàng hiểu biết và thông minh .
Hãy tìm đến những công ty uy tín được thành lập lâu năm, và là đại lý phân phối, có đội ngũ nhân viên kinh nghiệm, tư vấn nhiệt tình để giúp quý khách hàng lựa và tìm đúng sản phẩm phù hợp với nhu cầu sử dụng.
Cao Phong tự hào là đơn vị đại lý phân phối chuyên cung cấp những sản phẩm đồng hồ áp suất đa dạng mẫu mã và xuất xứ đến quý khách hàng.
- Website: https://caophong.com.vn
- Hotline: 028 6270 3525
- Email: contact@caophong.com.vn
- Địa chỉ: 331/41 Phan Huy Ích, Phường An Hội Tây, Thành Phố Hồ Chí Minh, Việt Nam







